Marca Philips
Modelo B4LN16A /35
Ano 1962
País Portugal
Número de série 12200
Válvulas 6
Caixa em Madeira
Altura 24,5 cm
Largura 41,5 cm
Profundidade 19,5 cm
Peso 5,2 kg
Bandas OM/MW, OC1/SW1, OC2/SW2, OC3/SW3
Válvulas 6
Caixa em Madeira
Altura 24,5 cm
Largura 41,5 cm
Profundidade 19,5 cm
Peso 5,2 kg
Bandas OM/MW, OC1/SW1, OC2/SW2, OC3/SW3
Fonte de alimentação AC 90; 110; 127; 145; 190; 220 Volt
Este rádio é "irmão" do B3X16A fabricado na Holanda excepto: caixa em madeira e frente com pano em vez de baquelite, ornamentos, teclas e moldura metálica das teclas.
Os outros "irmãos" do B3X16A são:
- Mediator MD3755A /35 (Suíca)
- Mediator MD4550A /00 (Suíça)
- Siera SA3259A /00 /00M (Bélgica)
Este rádio é "irmão" do B3X16A fabricado na Holanda excepto: caixa em madeira e frente com pano em vez de baquelite, ornamentos, teclas e moldura metálica das teclas.
Os outros "irmãos" do B3X16A são:
- Mediator MD3755A /35 (Suíca)
- Mediator MD4550A /00 (Suíça)
- Siera SA3259A /00 /00M (Bélgica)
![]() |
| Painel frontal em frente ao alto-falante |
![]() |
| Escala de ondas e frequências |
![]() |
| Botão esquerdo: Volume e Tonalidade |
![]() |
| Botão direito: Sintonização |
| Teclas de selecção: On/Off; OM; OC; OC1; OC2; Gira-Discos |
| Traseira |
| Interior |
| Interior |
| Modelo e Número de série |
![]() |
| 1 x DM71 |
![]() |
| 1 x EBC81 |
![]() |
| 1 x ECH81 |
![]() |
| 1 x EF89 |
![]() |
| 1 x EL84 |
![]() |
| 1 x EZ80 |
O modelo "irmão" B3X16A fabricado na Holanda
O modelo "irmão" Mediator MD3755A /35
fabricado na Suíça
O modelo "irmão" Mediator MD4550A /00 fabricado na Suíça
O modelo "irmão" Siera SA3259A /00 /00M fabricado na Bélgica
![]() |
| Informação de serviço em português |
![]() |
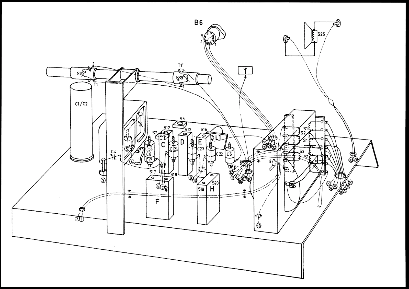
| Posição dos vários componentes |
![]() |
| Esquema |
![]() |
| Esquema |
RÁDIO TRANSISTORIZADO
O rádio transistorizado é um pequeno receptor de rádio portátil que usa um circuito baseado em transístor. O transístor foi inventado em 1947, os primeiros rádios transistorizados foram desenvolvidos em 1954, tornaram-se o dispositivo de comunicação electrónico mais popular da história, sendo produzidos biliões nos anos de 1960 a 1970. Devido ao seu tamanho de bolso provocou uma mudança nos hábitos na escuta de música, permitindo que se pudesse ouvir música em qualquer lugar. No começo da década de 1980, os rádios AM baratos foram substituídos por aparelhos com melhor qualidade de áudio como, CD Players portáteis, leitores de áudio pessoais, etc.
Antes do transístor ter sido inventado, os rádios produzidos usavam a válvula electrónica. Embora tenham sido criados rádios portáteis valvulados, eles eram volumosos e pesados, devido às grandes baterias necessárias para abastecer o alto consumo de energia dos tubos.
A Bell Laboratories apresentou e demonstrou a utilização do primeiro transístor em 23 de Dezembro de 1947. Depois de registar a patente, a empresa realizou uma apresentação colectiva à imprensa em 30 de Junho de 1948, onde foi demonstrado um protótipo de rádio transístor.
Há muitos pretendentes ao título de primeira empresa a produzir rádios transistorizados. A Texas Instruments havia demonstrado a utilização de rádios AM em 25 de Maio de 1954, mas o seu desempenho foi bem inferior ao de modelos valvulados. A empresa alemã Intermetall apresentou um rádio em Agosto de 1953 na Feira de Düsseldorf, foi construído com quatro transístores feitos à mão. No entanto, como acontece com as primeiras unidades, a Texas Instruments (e outros) construíram apenas protótipos. A RCA havia demonstrado um protótipo de rádio transistorizado em 1952, mas a Texas Instruments e Regency Divisão de IDEA, foram os primeiros a oferecerem um modelo de produto a partir de outubro 1954.
História japonesa no mercado
Durante uma viagem aos Estados Unidos em 1952, Masura Ibuka, fundador da Tokyo Telecommunications Engineering Corporation (actual Sony), descobriu que a AT&T estava prestes a disponibilizar para licenciamento o transístor. Masura Ibuka e seu parceiro, o físico Akio Morita, convenceu o Ministério do Comércio e Indústria Internacional (MITI) japonês para financiar a taxa de licenciamento em $25.000 dólares. Durante vários meses Masura Ibuka viajou por todo os Estados Unidos analisando e obtendo ideias dos fabricantes de transístores americanos. Com as ideias melhoradas, a Tokyo Telecommunications Engineering Corporation fez seu primeiro rádio transístor funcional em 1954. Passados cinco anos, Tokyo Telecommunications Engineering Corporation cresceu de sete funcionários para cerca de quinhentos.
Outras empresas japonesas também entraram no mercado americano e o total de produtos electrónicos exportados do Japão em 1958 aumentou 2,5 vezes em comparação com 1957.
Histórico:
- Criado em 2014-03-22
- Actualização 2017-10-11 - Imagens, especificações, outra informação e reformulação geral.
- Actualização 2018-02-17 - Novo formato.
- Criado em 2014-03-22
- Actualização 2017-10-11 - Imagens, especificações, outra informação e reformulação geral.
- Actualização 2018-02-17 - Novo formato.





















Sem comentários:
Enviar um comentário